Kunci pintu kabinet industriadalah komponen pelindung utama dari kabinet distribusi, kabinet komunikasi, kotak kontrol dan peralatan lainnya, yang berhubungan langsung dengan keselamatan komponen kelistrikan internal dan pengoperasian sistem yang stabil.
Untuk memenuhi beragam persyaratan waktu pengiriman dan spesifikasi untuk proyek yang berbeda, perusahaan kami selalu memiliki lima jenis kunci yang umum digunakan --Kunci Batang Panjang, Kunci Panel, Kunci Kontrol Batang, Menangani Kunci,Kunci Lidah Putar. Pada saat yang sama, kami mendukung kunci non-standar apa pun yang disesuaikan menurut gambar atau sampel, yang sangat cocok untuk semua jenis kotak distribusi logam.
Kunci pesawat adalah salah satu jenis kunci pintu lemari industri yang paling umum, cantik dan mudah perawatannya. Perusahaan kami meluncurkan kunci pesawat seri AB301, AB302, AB303, AB402, AB403, dalam kekuatan struktural, kinerja perlindungan dan nuansa pengoperasian dari desain yang berbeda, dapat memenuhi spesifikasi kotak distribusi yang berbeda, persyaratan pemasangan kabinet kontrol.
| Ukuran | Nomor Produk | |||||||
| L1 | L2 | L3 | B1 | B2 | Pelapisan krom abu-abu | Cat semprot abu-abu | Dilapisi bubuk hitam | Berat (g) |
| 147 | 117 | 72 | 33 | 26.5 | AB301-1-1.2 | AB301-1-1.8 | AB301 | 370 |
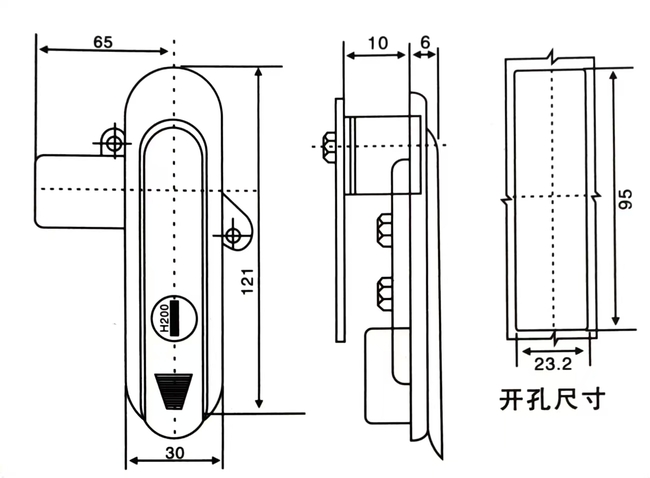
| 120.5 | 95.5 | 65 | 30 | 23.5 | AB301-2-1.2 | AB301-2-1.8 | AB302 | 290 |
| 87.5 | 62.5 | 65 | 28.5 | 23.5 | AB301-3-1.2 | AB301-3-1.8 | AB303 | 215 |
Bahan utama: paduan seng.
Perawatan permukaan: krom cerah, matte, hitam.
Fungsi dan penggunaan: Sadarilah bukaan pintu kiri dan kanan, mudah digunakan, dengan fungsi penyegelan dan tahan air.
Bahan utama: paduan seng.
Perawatan permukaan: krom cerah, matte, hitam.
Fungsi dan penggunaan: Sadarilah bukaan pintu kiri dan kanan, mudah digunakan, dengan fungsi penyegelan dan tahan air.
Bahan: bodi kunci paduan seng, poros berputar, baut baja galvanis, pelat penekan.
Perawatan permukaan: semprotan nano abu-abu perak.
Deskripsi struktur: Putar 90 derajat untuk membuka atau mengunci.
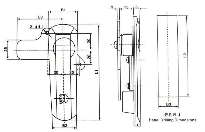
| MODEL | L1 | L2 | L3 | B1 | B2 | B3 |
| AB402-A BARU | 123 | 95.5 | 65 | 36.5 | 30 | 23.5 |
| AB403-A BARU | 91 | 62.5 | 65 | 33 | 28.5 | 23.5 |
| AB401-A BARU | 151 | 117 | 72 | 36 | 30 | 26.5 |
